China3D printingNet October 29th, an international team of scientists led by RMIT University has developed a cost-effective way to turn recycled cooking oil, plastic waste and agricultural waste into environmentally friendly biofuels .
The researchers’ process is based on a new type of catalyst that can convert highly polluting materials into chemical precursors. In addition to producing low-carbon fuel sources, chemical by-products can also be used to produce various medicines and fertilizers, as well as biodegradable packaging.
In order to quickly expand its process, the team now intends to adopt3D printingTechnology and identify potential partners to commercialize its catalysts.
Professor Adam Lee, the co-lead researcher of the project, explained: “Our new catalyst can help us obtain the full value of resources that are usually wasted. From rotten cooking oil to rice husks and vegetable skins, our catalysts]can promote recycling. economy.”

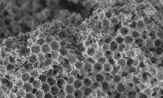
The researchers’ new sponge-like catalyst can produce more effective biofuels. Picture from Royal Melbourne Institute of Technology.
Turn vegetable peels into energy
It is no secret that natural chemicals found in food and polymer waste can be converted into renewable energy. As the world shifts to more environmentally friendly fuels, many scientists have managed to convert products such as used cooking oil to fertilizers into usable recyclable biofuels.
Many of the problems with these existing methods are that the natural resources they are based on cannot be treated efficiently enough to make them a viable alternative to conventional fuels. Currently, creating the complex organic molecules needed to make biofuels involves synthesizing them from smaller structural units through a multi-step reaction.
Being able to perform multiple conversions during this fuel manufacturing process can be very beneficial because reducing the total number of cycles required will speed up the entire process. In addition, according to Professor Li, current biofuel production methods are destroying the environment, so a new technology is needed.
“The quality of modern life largely depends on complex organic molecules to maintain our health and provide nutritious food, clean water and cheap energy. These molecules are currently produced through unsustainable chemical processes. These processes Polluted the atmosphere, soil and waterways.”

Although many environmentally friendly biofuels have been developed, they are generally inefficient and have not been commercialized. Image courtesy of Royal Melbourne Institute of Technology.
The team’s new biofuel catalyst and3D printing
In order to reduce the number of manipulations required to make biofuels, researchers have developed a new type of ultra-efficient catalyst. The team’s micron-sized sponge-like works work by absorbing molecules through their large external pores and subjecting them to a preliminary chemical reaction.
When natural molecules pass through the smaller internal pores of the catalyst, they undergo a second reaction, allowing multiple molecules to be processed in a single catalyst. Co-Principal Investigator Professor Karen Wilson explained that the team’s new design mimics the way enzymes work in human cells.
Wilson said: “Catalysts have been developed, but these methods can hardly control chemical reactions, and are inefficient and difficult to predict. We use biologically inspired methods to focus on natural catalysts-enzymes to develop powerful and precise methods. Perform multiple reactions in the set sequence.
Just like having nano-scale production lines for chemical reactions, all production lines are housed in a tiny and highly efficient catalyst particle. “According to China3D printingNetwork understanding,
Sponge catalysts also don’t contain any metals. All they need to make them is a large heating vessel, which makes their production costs relatively low. As a result, the team’s low-tech biofuel production process may be adopted in third world countries where facilities are expensive and “energy poverty” is increasing.
Through further research, the scientists also believe that their catalyst can be customized to produce jet fuel from agricultural waste or discarded tires.In order to achieve this goal and extend its novel process to the business, the team is currently adjusting it to match3D printingUse technologies together and seek business partners to accelerate their commercial release.
“We also hope to expand the scope of chemical reactions to include light activation and electrical activation for cutting-edge technologies. Professor Li concluded: “This requires artificial photosynthesis and fuel cells. We are seeking to cooperate with potential business partners to create a series of commercially available catalysts for different applications. “
Renewable energy for additive manufacturing
3D printingThe complex geometries and material compatibility provided have enabled the manufacture of various green parts and renewable energy processes in recent years.
Scientists from the Technical University of Graz, the University of Vienna and FAU Erlangen-Nuremberg University (FAU) have equipment for clean energy3D printingSuper magnet. The team’s artificial earth metal elements are critical to the production of wind turbines and electric motors.
Industrial manufacturing company Siemens is verifying3D printingBurner, this may be the key to Sweden’s implementation of a fossil-fuel-free program. Siemens is working with energy supplier Göteborg Energi to test gas turbine technology that can operate on renewable fuels.
Additive manufacturing is also used to produce unconventional renewable energy. Scientists at Oak Ridge National Laboratory are currently working on3D printingReactor core. The Oak Ridge team is using sensor-assisted methods to optimize equipment production and minimize waste.
China3D printingNet original article!
(Editor in charge: admin)

0 Comments for “Royal Melbourne Institute of Technology uses 3D printing to achieve commercial eco-friendly biofuel production”